Norton's theorem

English

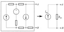
By Norton's theorem, the circuit between A and B can be represented as a single resistor and current source in parallel.

Etymology

Derived by American engineer Edward Lawry Norton in 1926; however, it was independently derived on the same year by German physicist Hans Ferdinand Mayer (hence the alternative name Mayer-Norton theorem).

Proper noun

Norton's theorem

  1. (electronics) A theorem which states that any electric circuit between two terminals containing only resistors, voltage sources, and current sources can be equivalently replaced with a single current source and resistor in parallel.
    Synonym: Mayer-Norton theorem
This article is issued from Wiktionary. The text is licensed under Creative Commons - Attribution - Sharealike. Additional terms may apply for the media files.